TIRACON Made in DDR 1989 !!!
Jinak ty baterky jsou zespodu na plošňákách pod klávesnicí a jsou to NC knoflíkový akumulátory, vůbec netuším, jestli se to ještě dá sehnat. Ale možná by stačilo nechat Tiracona delší čas puštěnej (>den), aby se nabily.. tedy jestli už nejsou odrovnaný. Jinak alternativou určitě budou nějaký průmyslový AA accu s pájitelnejma kontaktama, vejdou-li se tam.
<img src=http://www.bodyia.cz/bb-s-synth/tiraconbaterky.gif>
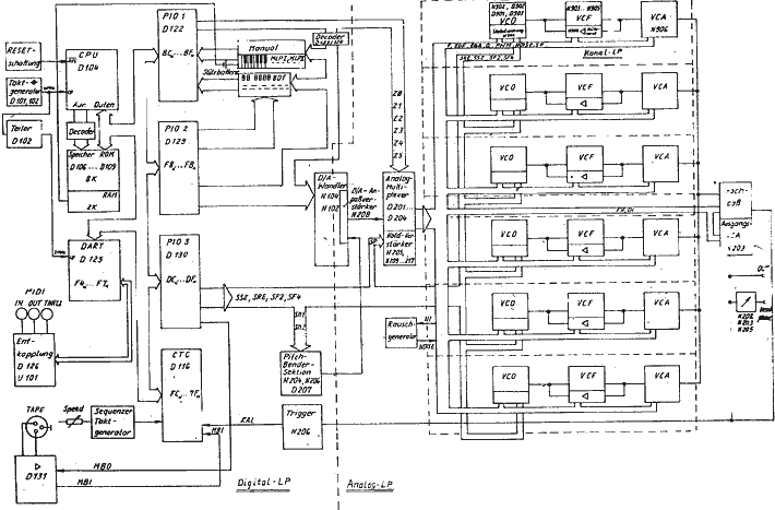
A pro zajímavost blokový schéma nástroje:-) :
<img src=http://www.bodyia.cz/bb-s-synth/tiraconschema.gif>
<img src=http://www.bodyia.cz/bb-s-synth/tiraconbaterky.gif>
A pro zajímavost blokový schéma nástroje:-) :
<img src=http://www.bodyia.cz/bb-s-synth/tiraconschema.gif>
knoflíkové akumulátory: http://www.fulgurbattman.cz/
(dělají i bodované akupacky na zakázku)
(dělají i bodované akupacky na zakázku)
Petr Tudy Holubář - INSANIA, RIVER
Tvorba + dema nástrojů: http://www.soundcloud.com/tudy-cz
Tvorba + dema nástrojů: http://www.soundcloud.com/tudy-cz
Je jedno, jestli ten signál do Tiracona půjde ze sluchátkového výstupu,bodyia píše:Tomas: Nene, omyl, na zalohovani nebudes potrebovat MIDI IN/OUT, protoze to pres MIDI neleze. budes potrebovat audio in/out a ty pichnes do vystupu/vstupu pro magnetak na zalohovani. Original zvuky budou ve formatu mp3. Na netu jsem nic jinyho nenasel, ale programuje se docela snadno, urcite si udelas, co bude potreba.
EXCOM: Nevim o nicem, kde by se dalo neco k tiraconu stahnout... Osobne se chystam udelat zvukovy nahledy nejakejch svejch hracek, az se do toho pustim, tak tam tiracon urcite taky bude:-)
nebo z line out? Jaký je v těchto výstupech rozdíl? A dá se mikrofonní
vztup na PC použít místo line in?(kvůli záloze na hard) Nebo to jde jen přes magne?ák?
Tomáš: Jedno to rozhodně není, ale v nouzi se to použít dá (když nemáš k dispozici lineOut). Při použití sluchátkového výstupu musíš ale hodně opatrně, protože sluchátkový výstup dává mnohem silnější signál, takže jedině ztlumit na minimum a pak opatrně přidávat a zkoušet, kdy se Tiracon chytne. Když to přeženeš, můžeš odvařit vstup Tiracona a to by byla škoda.
Stejně tak obráceně budeš přebuzovat mikrofoní vstup zvukovky a tam už možnost regulovat hlasitost zdroje asi nemáš (na Tiraconu). Ale citlivost mikrof.vstupu by měla jít nastavovat v úpravě zvukových vlastností zvukovky - záznam zvuku - hlasitost (-20dB)
TAKžE POKUD MOžNO, POUžíVEJ LINE IN a LINE OUT (ty jsou ideálně impedančně přizpůsobeny)
Stejně tak obráceně budeš přebuzovat mikrofoní vstup zvukovky a tam už možnost regulovat hlasitost zdroje asi nemáš (na Tiraconu). Ale citlivost mikrof.vstupu by měla jít nastavovat v úpravě zvukových vlastností zvukovky - záznam zvuku - hlasitost (-20dB)
TAKžE POKUD MOžNO, POUžíVEJ LINE IN a LINE OUT (ty jsou ideálně impedančně přizpůsobeny)
sluchatkovy vystup na nizkoohmove sluchatka dava takmer take iste napatie ako linka, len nepatrne vyssie... akurat je skreslenejsi a zasumeny. kazdopadne treba pouzit linku, ak to ide, ovsem odpalenia vstupu na tiracone sa urcite netreba obavat.
sw citlivost mic vstupu je tiez osemetna vec, nakolko sa da prebudit zosilovac pred mixerom zvukovky a je po parade (teda, o nic nejde, akurat nahras skresleny, zaclipovany signal). ak uz musis pouzit mic vstup, najlepsie je pouzit napatovy delic z dvoch odporov alebo logaritmicky potenciometer. preco vlastne nemas line in? je to notebook?
sw citlivost mic vstupu je tiez osemetna vec, nakolko sa da prebudit zosilovac pred mixerom zvukovky a je po parade (teda, o nic nejde, akurat nahras skresleny, zaclipovany signal). ak uz musis pouzit mic vstup, najlepsie je pouzit napatovy delic z dvoch odporov alebo logaritmicky potenciometer. preco vlastne nemas line in? je to notebook?
Mám notebook, bohužel má jen výstup na sluch. a vstup na mic. Chtěl
jsem jen to jen provizorně zkusit,než si koupim exerní zvuk. Ale teď je mi jasný, že si jí koupim asi hned, bude to jednodušší.
Ještě jedna věc mě trápí. Když propojím notebook přes sluch.výstup se
zesilovačem na aux,tak se signál zpožďuje(je to někdy slyšet) a připadá mi,že to má slabší dynamiku. Je to způsobeno kabelem(kvalitní,ale asi 10m), špatnou intgr.zvuk., nebo hlavně právě sluch.výstupem?
jsem jen to jen provizorně zkusit,než si koupim exerní zvuk. Ale teď je mi jasný, že si jí koupim asi hned, bude to jednodušší.
Ještě jedna věc mě trápí. Když propojím notebook přes sluch.výstup se
zesilovačem na aux,tak se signál zpožďuje(je to někdy slyšet) a připadá mi,že to má slabší dynamiku. Je to způsobeno kabelem(kvalitní,ale asi 10m), špatnou intgr.zvuk., nebo hlavně právě sluch.výstupem?
Kexik: asi jsi ještě neměl čest s ISA zvukovkou Vibra16
Ta měla i vlastní koncák a v takových případech bývá sluchátkový výstup brán přímo z konce - pouze přes omezovací rezistory. Myslím, že s tím se dá odvařit kdeco.
U notebooku to zřejmě bude víc na pohodu, ale i tak...

U notebooku to zřejmě bude víc na pohodu, ale i tak...
Petr Tudy Holubář - INSANIA, RIVER
Tvorba + dema nástrojů: http://www.soundcloud.com/tudy-cz
Tvorba + dema nástrojů: http://www.soundcloud.com/tudy-cz
OT: Vibra16 - to jeste nekde mam - mel jsem k tomu pripojeny naprimo repraky z auta a hralo to na svou dobu slusne
Ex DDR gear rulez!
http://ezone.techno.cz/album_showpage.php?pic_id=20
Vermona DEG500 - digitalles echo geraet - nalezen u tchana v garazi - genialne hnusnej zvuk, sumi jaxvina, ale miluju ho. Btw. ma ve zpetnovazebne smycce INSERT




Ex DDR gear rulez!
http://ezone.techno.cz/album_showpage.php?pic_id=20
Vermona DEG500 - digitalles echo geraet - nalezen u tchana v garazi - genialne hnusnej zvuk, sumi jaxvina, ale miluju ho. Btw. ma ve zpetnovazebne smycce INSERT


- ECSON WALDES
- Profesionál
- Příspěvky: 1859
- Registrován: 16 zář 2002 14:52
Tak tos mě pobavilMunro píše:OT: Vibra16 - to jeste nekde mam - mel jsem k tomu pripojeny naprimo repraky z auta a hralo to na svou dobu slusne![]()
![]()
![]()


A když přijde nový e-mail, tak to teprve má ten Lo-Fi zvuk

Mimochodem, do té garáže tvého tchána bych se někdy rád podíval

To mas smulu, uz jsem to tam vytezilTudy píše:Tak tos mě pobavilMunro píše:OT: Vibra16 - to jeste nekde mam - mel jsem k tomu pripojeny naprimo repraky z auta a hralo to na svou dobu slusne![]()
![]()
![]()
Já ji totiž před čtrnácti dny strčil do firemního PC na dílně a připojil k ní... ...autorepráky
![]()
A když přijde nový e-mail, tak to teprve má ten Lo-Fi zvuk
Mimochodem, do té garáže tvého tchána bych se někdy rád podíval



Electro-Harmonix SmallStone
Electro-Harmonix Golden Throat Mouth Tube (talkbox)
Mu-Tron PhasorII (no vida, ten ma pucenej kamos uz asi 4 roky, mel bych si ho vyreklamovat zpet)
Ibanez Double Sound (kvakadlo+fuzz) - naprosto bozi zkreslovac
DEG 500

Dynacord DRP-16 (oldschool dig.reverb - hruzades)
Poly800
Mimochodem dceru ma taky velmi zdarilou

http://ezone.techno.cz/album_showpage.php?pic_id=291
Dobre jsem si vybral!
- ECSON WALDES
- Profesionál
- Příspěvky: 1859
- Registrován: 16 zář 2002 14:52
OT: Jirko, já se jen těším, kdy se v tématu "Méně je více" objeví fotky Tvé sbírky... 

Petr Tudy Holubář - INSANIA, RIVER
Tvorba + dema nástrojů: http://www.soundcloud.com/tudy-cz
Tvorba + dema nástrojů: http://www.soundcloud.com/tudy-cz